Меню
    Поддержка

    Без выходных:
    Понедельник - суббота с 10:00 до 19:00
    Воскресенье - с 10:00 до 18:00

    Поддержка в мессенджере
    Каталог
      info@elaksrus.ru
      Корзина 00 ₽
      Корзина
      В корзине пусто!
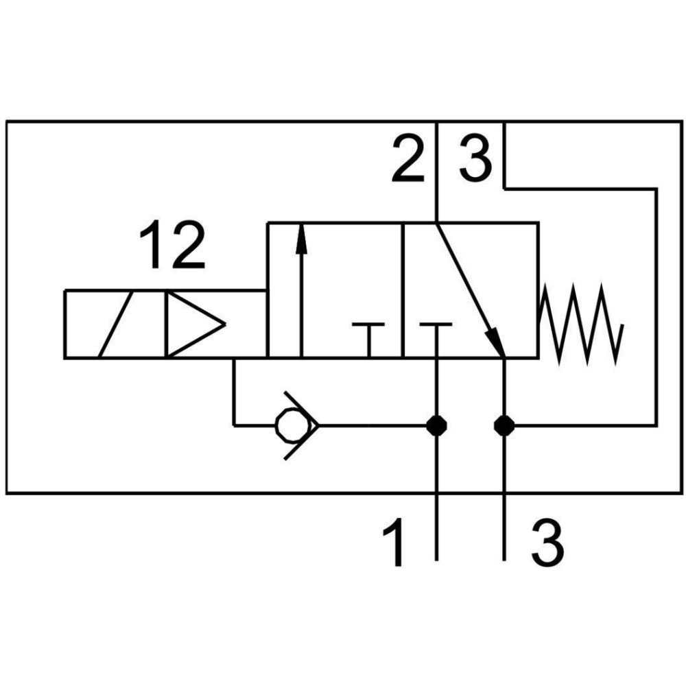
      Клапан 3/2 Н.З. Festo VOFC-LT-M32C-M-FG12-F19A
      Клапан 3/2 Н.З. Festo VOFC-LT-M32C-M-FG12-F19A
      Клапан 3/2 Н.З. Festo VOFC-LT-M32C-M-FG12-F19A
      Код товара: 158407
      Festo Производитель

      Под заказ

      Характеристики
      Код производителя4514747 Максимальное рабочее давление7 бар
      Festo 4514747 технические характеристики

      Festo 4514747 технические характеристики

      Характеристики Клапан 3/2 Н.З. Festo VOFC-LT-M32C-M-FG12-F19A
      Основные характеристики
      Вес 30,5 г
      Возврат Пневматический
      Время включения 10 мс
      Время отключения 10 мс
      Выхлоп пилота, канал 82/84 Общая линия
      Класс защиты IP40
      Количество контактов 2-пин
      Максимальное рабочее давление 7 бар
      Материал корпуса Алюминиевый сплав
      Материал уплотнений NBR
      Мощность катушки 1 Вт
      Направление потока Нереверсивный
      Напряжение катушки 24 В DC
      Негативный тестовый импульс с логикой 1 400 мкс
      Пилотное давление 3 - 7 бар
      Пилотное управление Непрямое
      Питание пилота Внешнее
      Пневматическое подключение, канал 1 4 мм
      Пневматическое подключение, канал 4 4 мм
      Позитивный тестовый импульс с логикой 0 500 мкс
      Примечание по рабочей среде Возможна работа со смазкой (Впоследствии требуется постоянная смазка)
      Рабочая среда Сжатый воздух в соответствии с ISO8573-1:2010 [7:4:4]
      Размер клапана 10 мм
      Ручное дублирование Защелкиваемый, Толкающий
      Сопротивление коррозии 1 - Низкая стойкость к коррозии
      Сопротивление ударной нагрузке Шоковый тест с уровнем опасности 2 в соответствии с FN 942017-5 и EN 60068-2-27
      Стандартный номинальный расход 3700 л/мин
      Стойкость к вибрации Тест транспортного применения на уровне жесткости 2 в соответствии с FN 942017-4 и EN 60068-2-6
      Температура окружающей среды От -5 до +50°C
      Тип крепления Со сквозным отверстием
      Тип подключения Общая линия
      Тип распределителя 3/2
      Управление Электромагнитное
      Функция Н.З.
      Функция быстрого выхлопа Не дросселируемый
      Вопросы о товаре 0
      Доставка и оплата
      Другие товары из серии VOFC
      Другие товары
      Выберите обязательные опции