Меню
    Поддержка

    Без выходных:
    Понедельник - суббота с 10:00 до 19:00
    Воскресенье - с 10:00 до 18:00

    Поддержка в мессенджере
    Каталог
      info@elaksrus.ru
      Корзина 00 ₽
      Корзина
      В корзине пусто!
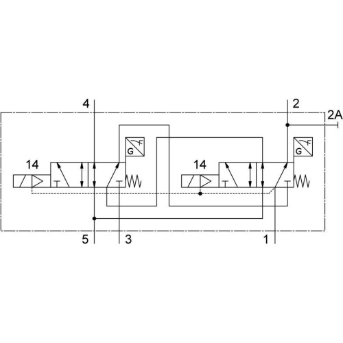
      Блок управления 3/2 Н.З. Festo VOFA-L26-T32C-M-G14-1C1-ANP
      Блок управления 3/2 Н.З. Festo VOFA-L26-T32C-M-G14-1C1-ANP
      Блок управления 3/2 Н.З. Festo VOFA-L26-T32C-M-G14-1C1-ANP
      Код товара: 158387
      Festo Производитель

      Под заказ

      Характеристики
      Код производителя574012
      Festo 574012 технические характеристики

      Festo 574012 технические характеристики

      Характеристики Блок управления 3/2 Н.З. Festo VOFA-L26-T32C-M-G14-1C1-ANP
      Основные характеристики
      Вес 260 г
      Возврат Пневматический
      Время включения 14 мс
      Время отключения 20 мс
      Выхлоп пилота, канал 82/84 Общая линия
      Класс защиты IP65
      Материал корпуса Алюминий, Латунь, POM, PPS, Сталь
      Материал уплотнений HNBR, NBR
      Направление потока Нереверсивный
      Пилотное давление 3 - 8 бар
      Пилотное управление Непрямое
      Питание пилота Внешнее, Внутреннее
      Пневматическое подключение, 11 Общая линия
      Пневматическое подключение, канал 1 G1/4
      Пневматическое подключение, канал 4 G1/4
      Подвод пилотного воздуха, канал 12/14 Общая линия
      Потребление электроэнергии 1,5 Вт
      Примечание по рабочей среде Возможна работа со смазкой (впоследствии требуется постоянная смазка)
      Рабочая среда Сжатый воздух в соответствии с ISO 8573-1:2010 [7:4:4]
      Рабочий цикл 100 % при снижении тока удержания
      Размер клапана 18 мм
      Ручное дублирование Защелкиваемый, Толкающий
      Сопротивление коррозии 2 - Средняя стойкость к коррозии
      Стандартный номинальный расход 1300 л/мин
      Температура окружающей среды От -5 до +50°C
      Температура хранения От -20 до +40°C
      Тип крепления Со сквозным отверстием
      Тип подключения Общая линия
      Тип распределителя 2х3/2
      Управление Электромагнитное
      Условный проход 8 мм
      Функция Н.З.
      Функция быстрого выхлопа Не дросселируемый
      Вопросы о товаре 0
      Доставка и оплата
      Другие товары из серии VOFA
      Другие товары
      Выберите обязательные опции